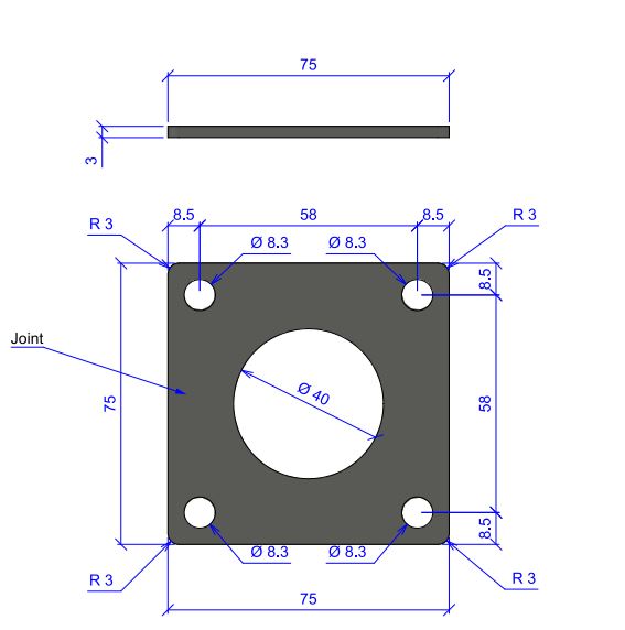
Joint silicone cellulaire pour JT

https://shop.v-korr.com/web/image/product.template/11057/image_1920?unique=db41eb8

0,00 € 0.0 EUR 0,00 € Hors TVA

0,00 € Hors TVA

Not Available For Sale

Cette combinaison n'existe pas.